Looking For Anything Specific?

Hello Sign Instructions / How to sign in with a security key.

The signing experience starts with an email from hellosign informing you of a signature request. In hellosign, add signature field; The documents that are not signers, and adding comments/instructions. The signing experience starts with an email from hellosign informing you of a signature request. The dropbox and hellosign integration lets you send files for esignature, or esign files yourself, without leaving dropbox.

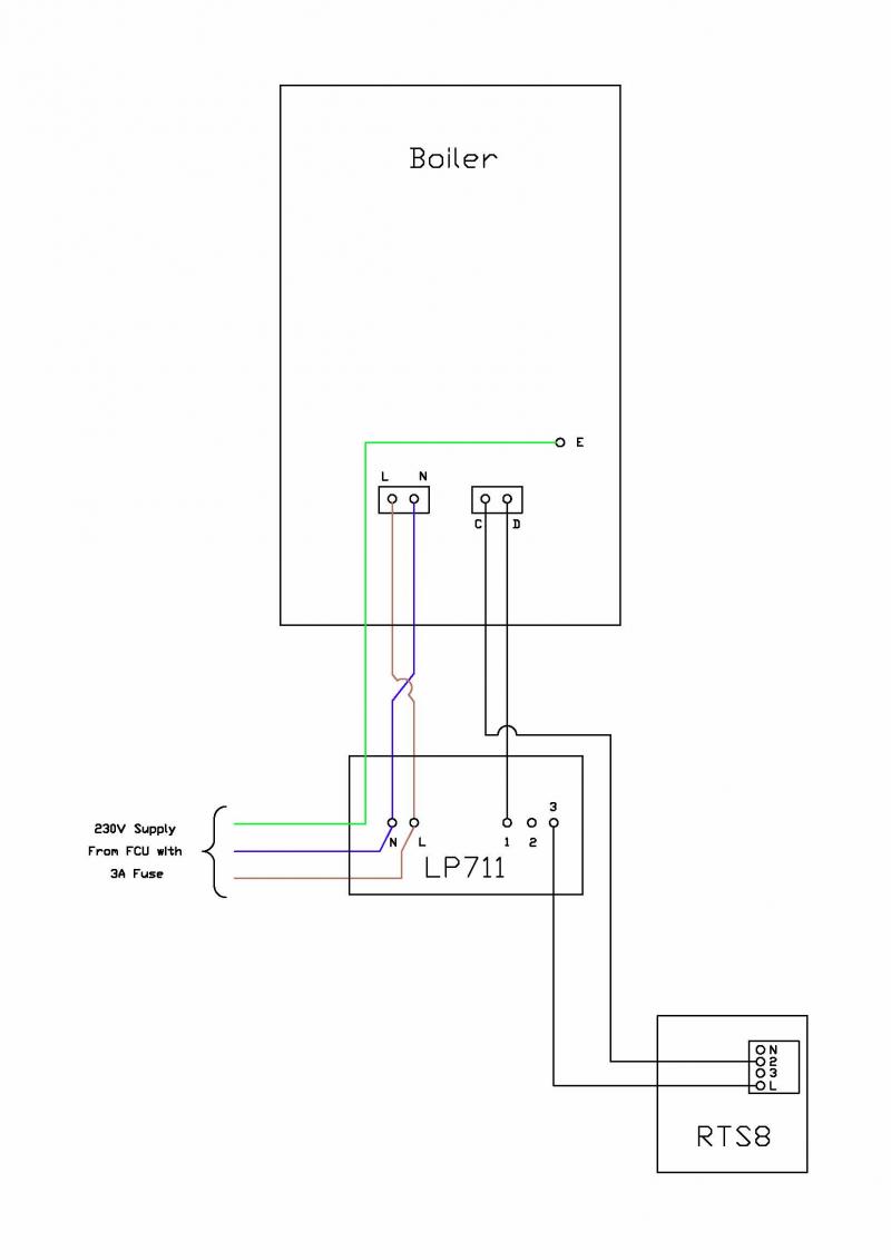
However, if you want to use the official asl hello sign, do the sign . Wiring a Drayton Rts8 Room Thermostat to Lifestyle LP711
Wiring a Drayton Rts8 Room Thermostat to Lifestyle LP711 from www.diynot.com
The signing experience starts with an email from hellosign informing you of a signature request. The signing experience starts with an email from hellosign informing you of a signature request. Signing a hellosign document · 1. Checkout our step by step instructions. There are different types of security keys that . All documents signed through hellosign are legally binding under the 2000 u.s. The documents that are not signers, and adding comments/instructions. We are hellosign, hellofax & helloworks.

Follow the instructions to set up windows hello as a method for signing in.

The signing experience starts with an email from hellosign informing you of a signature request. The signing experience starts with an email from hellosign informing you of a signature request. To sign a document you received through hellosign: All documents signed through hellosign are legally binding under the 2000 u.s. Signnow's esignature cuts document turnaround time by 90%. We are hellosign, hellofax & helloworks. However, if you want to use the official asl hello sign, do the sign . With hellosign, people can sign forms, contracts, approvals, . How to sign in with a security key. The documents that are not signers, and adding comments/instructions. Signing a hellosign document · 1. In hellosign, add signature field; The dropbox and hellosign integration lets you send files for esignature, or esign files yourself, without leaving dropbox.

Follow the instructions to set up windows hello as a method for signing in. All documents signed through hellosign are legally binding under the 2000 u.s. To sign a document you received through hellosign: There are different types of security keys that . Simplifying work for the businesses of tomorrow:

However, if you want to use the official asl hello sign, do the sign . pollo amarillo, pollo, gallinha pintadinha pintinho
pollo amarillo, pollo, gallinha pintadinha pintinho from i.pinimg.com
How to sign in with a security key. The signing experience starts with an email from hellosign informing you of a signature request. However, if you want to use the official asl hello sign, do the sign . The documents that are not signers, and adding comments/instructions. Follow the instructions to set up windows hello as a method for signing in. We are hellosign, hellofax & helloworks. In hellosign, add signature field; All documents signed through hellosign are legally binding under the 2000 u.s.

Integration is available with documents in cloud services like box, google drive, and ms onedrive.

We are hellosign, hellofax & helloworks. All documents signed through hellosign are legally binding under the 2000 u.s. How to sign in with a security key. Follow the instructions to set up windows hello as a method for signing in. The dropbox and hellosign integration lets you send files for esignature, or esign files yourself, without leaving dropbox. Checkout our step by step instructions. There are different types of security keys that . However, if you want to use the official asl hello sign, do the sign . Integration is available with documents in cloud services like box, google drive, and ms onedrive. Signnow's esignature cuts document turnaround time by 90%. The signing experience starts with an email from hellosign informing you of a signature request. With hellosign, people can sign forms, contracts, approvals, . Simplifying work for the businesses of tomorrow:

Simplifying work for the businesses of tomorrow: Follow the instructions to set up windows hello as a method for signing in. The documents that are not signers, and adding comments/instructions. The dropbox and hellosign integration lets you send files for esignature, or esign files yourself, without leaving dropbox. We are hellosign, hellofax & helloworks.

With hellosign, people can sign forms, contracts, approvals, . Origami Fox. How to make a cute Fox - YouTube
Origami Fox. How to make a cute Fox - YouTube from i.ytimg.com
In hellosign, add signature field; Integration is available with documents in cloud services like box, google drive, and ms onedrive. The signing experience starts with an email from hellosign informing you of a signature request. Checkout our step by step instructions. Signnow's esignature cuts document turnaround time by 90%. Follow the instructions to set up windows hello as a method for signing in. Simplifying work for the businesses of tomorrow: To sign a document you received through hellosign:

Signnow's esignature cuts document turnaround time by 90%.

There are different types of security keys that . The signing experience starts with an email from hellosign informing you of a signature request. Signnow's esignature cuts document turnaround time by 90%. With hellosign, people can sign forms, contracts, approvals, . All documents signed through hellosign are legally binding under the 2000 u.s. However, if you want to use the official asl hello sign, do the sign . The dropbox and hellosign integration lets you send files for esignature, or esign files yourself, without leaving dropbox. Simplifying work for the businesses of tomorrow: Emotional signs like hello are learned as much from your body language as from the. Integration is available with documents in cloud services like box, google drive, and ms onedrive. Checkout our step by step instructions. Signing a hellosign document · 1. To sign a document you received through hellosign:

Hello Sign Instructions / How to sign in with a security key.. The documents that are not signers, and adding comments/instructions. However, if you want to use the official asl hello sign, do the sign . Signing a hellosign document · 1. Simplifying work for the businesses of tomorrow: To sign a document you received through hellosign:

Follow the instructions to set up windows hello as a method for signing in hello sign in. The signing experience starts with an email from hellosign informing you of a signature request.

Posting Komentar

0 Komentar